欢迎来到河北鸿邦电气设备科技有限公司官网!热门搜索:励磁柜,防爆励磁柜,励磁控制器
只需三步解决励磁柜不投励的问题
励磁柜检测时不投励 ,处理步骤如下:
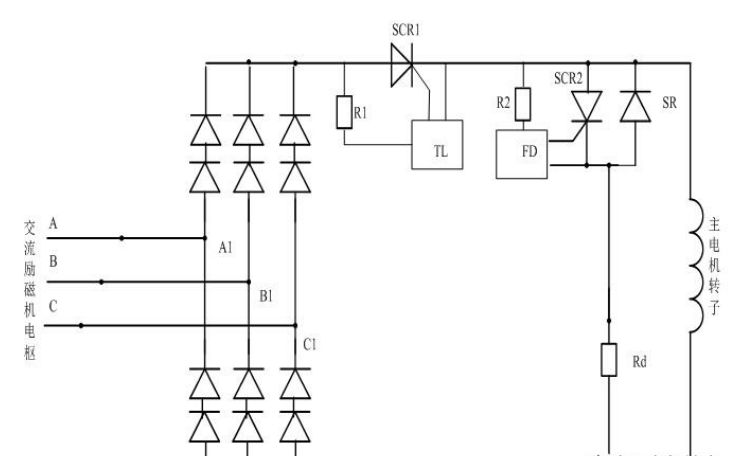
(1) 将投励插件拔出,检测励磁柜的手动投励是否正常;
(2) 如果手动投励正常,说明励磁柜的主回路完好,应检查转换开关触点是否接触良好;检查投励插件提供电源的65V变压器是否工作正常;检查投励插件本身是否有故障;
(3) 如果手动投励不正常,应检查主回路是否正常,重点检查整流二极管及投励可控硅是否损坏;检查励磁柜与同步机转子是否连接好,重点检查碳刷是否接触好。

励磁柜检测时能自动投励,但正常开机时不能自动投励 ,处理步骤如下:
检测时能自动投励,说明励磁柜主回路、检测回路及投励插件都正常,应重点检查与高压柜的连锁接点,以及开机时转子是否能真正达到亚同步。
(1) 将开关柜拖至试验位置,现场模拟开机,当按下现场启动按钮,高压开关柜合闸后,同步机励磁柜能自动投励成功,说明励磁柜与高压柜之间的连锁不存在问题;
(2) 如果模拟开机也不能自动投励,应检查励磁柜与高压柜的连锁接点是否闭合好;
(3) 如果开机时转子达不到亚同步造成不能自动投励,应对投励插件进行调试。
励磁柜的作用是给空压机电机的转子上加一个直流电,使电机的转子相当于一个电磁铁同步电机就是一种定子边用交流电流励磁建立旋转磁场,转子边用直流电流励磁所构成旋转磁极的双边励磁的交流电动机.工作原理就是旋转磁场以磁拉力拖着旋转磁极同步地旋转。
18033857332
289193461@qq.com
河北省石家庄市桥西区汇宁街39号东五里
工业园南排2号
热门搜索:励磁柜,防爆励磁柜,励磁控制器
网址:www.hongbangdianqi.com
